|
Schön, dass du da bist,
Gast
|
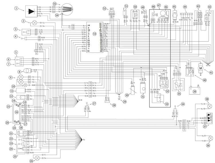
THEMA: Schaltplan Beta 125 RR 4T LC
Schaltplan Beta 125 RR 4T LC 15 Aug 2025 21:43 #1
|
|
|
Schaltplan Beta 125 RR 4T LC 27 Nov 2025 00:37 #2
|
|
RR125LC, Bj. 2018 Enduro
|
Schaltplan Beta 125 RR 4T LC 27 Nov 2025 12:43 #3
|
BETA und das schon eine ganze Weile!
Bitte Anfragen nicht über PM, sondern über Diese E-Mail-Adresse ist vor Spambots geschützt! Zur Anzeige muss JavaScript eingeschaltet sein! ! Die PM-Funktion in diesem Forum ist Sch..lecht! |
Schaltplan Beta 125 RR 4T LC 06 Dez 2025 00:08 #4
|
|
RR125LC, Bj. 2018 Enduro
|
Schaltplan Beta 125 RR 4T LC 10 Dez 2025 12:49 #5
|
|
|
Schaltplan Beta 125 RR 4T LC 10 Dez 2025 14:08 #6
|
|
Einer muss es ja machen!
(alle Angaben ohne Gewähr; Fehler und Irrtümer vorbehalten) |
Schaltplan Beta 125 RR 4T LC 11 Dez 2025 06:25 #7
|
|
RR125LC, Bj. 2018 Enduro
|
Schaltplan Beta 125 RR 4T LC 12 Dez 2025 12:41 #8
|
|
|
















